礦用振動篩選機的產品簡介
礦用振動篩選機采用激振器偏心塊作為動力源,在篩選過程中有足夠的彈跳力,能夠有效避免物料卡槽,使篩選透網率更高。根據用途有輕型和重型之分,篩面有單層和多層結構形式,主要針對硬度較高、大塊狀物料的干式分級篩選,比如煤碳、碎石、鵝卵石等有較強耐沖擊力的物料。它主要是引進德國技術制造的高效篩選機,振幅強弱可調節,具有篩選距離長,多層篩選,篩選效率高等優點。廣泛應用于電力、礦山、洗煤廠、建材等行業。
礦用振動篩選機的工作原理
礦用振動篩選機的篩箱運動軌跡為圓形或橢圓形,它主要是采用慣性激振器產生振動,電動機經三角帶使激振器偏心塊產生高速旋轉,從而產生很大的離心力,促使篩箱產生一定振幅的圓運動,篩上物料在傾斜的篩面上受到篩箱傳給的沖量而產生連續的拋擲運動,物料與篩面相遇的過程中使小于篩孔的顆粒透篩,從而實現分級。
礦用振動篩選機的產品特點
1、結構簡單合理,運轉平穩可靠,設備維修方便,使用周期及整機使用壽命長。
2、可以任意變化篩面的傾角,從而改變物料沿篩面的運動速度,從而提高篩機的處理量。
3、采用側振式偏心塊作為激振力,振動強度高、生產能力大、篩選效率高。激振力可隨機調控,便于模塊化設計和使用。
4、采用輪胎聯軸器,柔性聯接,運轉平穩,振動噪音小、堅固耐用、維修方便、使用安全。
5、運行中卡在篩孔中的物料可以自動跳出,防止篩孔堵塞。
6、篩箱采用高強度螺栓聯結,無焊接。
7、材質采用高強度錳鋼制作,對于硬度較高、大塊狀物料有較強的耐沖擊力。
礦用篩選機單軸式的技術參數
|
型號 |
篩網 |
給料粒度
(mm) |
生產能力
(t/h) |
振動頻率
(l/min) |
雙振幅
(mm) |
電動機 |
安裝
形式 |
總重
(kg) |
|
層數 |
面積
(㎡) |
篩孔尺寸
(mm) |
篩網
結構 |
型號 |
功率(kw) |
|
DD918 |
1 |
1.6 |
1-25 |
鋼絲編織 |
≤60 |
10-30 |
1000 |
5-6 |
Y100L-4 |
2.2 |
吊式 |
440 |
|
2DD918 |
2 |
1.6 |
1-25 |
鋼絲編織 |
≤60 |
10-30 |
1000 |
5-6 |
Y100L-4 |
2.2 |
吊式 |
600 |
|
DDM1235 |
1 |
4 |
500-100 |
鋼絲編織 |
≤400 |
150-210 |
920 |
6 |
Y132S-4B3 |
5.5 |
吊式 |
2112 |
|
DDM1556 |
1 |
8 |
25-50 |
沖孔 |
≤400 |
400 |
920 |
6-8 |
Y160M-4B3 |
11 |
吊式 |
3376 |
|
2DDM1556 |
2 |
8 |
上25-100
下6-25 |
上沖下編 |
≤400 |
上90-450
下30-90 |
1000 |
6 |
Y180M-4 |
18.5 |
吊式 |
5096 |
|
DDM1740 |
1 |
7 |
50-100 |
沖孔 |
≤400 |
240-360 |
920 |
5-7 |
Y132M-4B3 |
7.5 |
吊式 |
3092 |
|
DDM1756 |
1 |
9.5 |
25-50 |
沖孔 |
≤400 |
270-540 |
920 |
5-7 |
Y160T-4B3 |
15 |
吊式 |
3995 |
|
DDM2056 |
1 |
11 |
25-125 |
沖孔 |
≤400 |
300-1100 |
920 |
6-8 |
180M-4B3 |
18.5 |
吊式 |
4599 |
|
2DDM2056 |
2 |
11 |
上25-100
下6-25 |
沖孔 |
≤400 |
120-600
40-120 |
1000 |
6-8 |
Y180M-4 |
18.5 |
吊式 |
5650 |
|
ZD918 |
1 |
1.6 |
1-25 |
編織 |
≤60 |
10-30 |
1000 |
6 |
Y100L-4 |
2.2 |
吊式 |
553 |
|
2ZD918 |
2 |
1.6 |
1-25 |
編織 |
≤50 |
10-30 |
1000 |
6 |
Y100L-4 |
2.2 |
座式 |
702 |
|
ZD1224 |
1 |
2.9 |
6-40 |
編織 |
≤100 |
70-210 |
1000 |
0-7 |
Y112M-4 |
4 |
座式 |
1130 |
|
2ZD1224 |
2 |
2.9 |
6-40 |
編織 |
≤100 |
70-210 |
850 |
0-7 |
Y112M-4 |
4 |
座式 |
1545 |
|
ZD1224J |
1 |
2.9 |
上11×42
下26×35 |
橡膠 |
≤100 |
70-210 |
850 |
3.5 |
Y112M-4 |
4 |
座式 |
1086 |
|
2ZD124J |
2 |
2.9 |
上13×42
下48×58 |
橡膠 |
≤100 |
70-210 |
800 |
3.5 |
Y112M-4 |
4 |
座式 |
1637 |
|
ZDM1235 |
1 |
4 |
50-100 |
沖孔 |
≤400 |
150-210 |
920 |
7 |
Y132-4B3 |
5.5 |
座式 |
2235 |
|
ZD1530 |
1 |
4.5 |
6-50 |
鋼絲編織 |
≤100 |
90-270 |
920 |
6-7 |
Y132S-4 |
5.5 |
座式 |
1650 |
|
2ZD150 |
2 |
4.5 |
6-50 |
鋼絲編織 |
≤100 |
90-270 |
850 |
6-7 |
Y132S-4 |
5.5 |
座式 |
2260 |
|
ZD153J |
1 |
4.5 |
11×42 |
橡膠 |
≤150 |
90-270 |
850 |
7 |
132-4 |
5.5 |
座式 |
2260 |
|
2ZD1530J |
2 |
4.5 |
上13×42
下48×58 |
橡膠 |
≤100 |
90-270 |
850 |
7 |
Y132S-4 |
5.5 |
座式 |
2653 |
|
ZD1540 |
1 |
6 |
650 |
鋼絲編織 |
≤100 |
90-270 |
850 |
7 |
Y132M-4 |
7.5 |
座式 |
2070 |
|
2ZD1540 |
2 |
6 |
6-50 |
鋼絲編織 |
≤100 |
90-270 |
850 |
7 |
Y132M-4 |
7.5 |
座式 |
2850 |
|
ZDM1556 |
1 |
8 |
25-50 |
沖孔 |
≤400 |
225-450 |
920 |
6-8 |
Y160m-4 |
11 |
座式 |
3611 |
|
2ZDM1556 |
2 |
8 |
上25-50
下6-25 |
沖孔 |
≤400 |
30-300 |
1000 |
6-8 |
Y180m-4B3 |
18.5 |
座式 |
5347 |
|
ZDM1740 |
1 |
7 |
50-100 |
沖孔 |
≤400 |
270-400 |
920 |
5-7 |
Y132M-4B3 |
7.5 |
座式 |
3224 |
|
ZDM1756 |
1 |
9.5 |
25-50 |
沖孔 |
≤400 |
270-540 |
920 |
5-7 |
Y160L-4B3 |
15 |
座式 |
4027 |
|
ZD1836 |
1 |
9.5 |
6-50 |
編織 |
≤150 |
100-300 |
850 |
7 |
Y160M-4 |
11 |
座式 |
160 |
|
ZDM2056 |
1 |
11 |
13-125 |
編織 |
≤400 |
100-1000 |
920 |
6-8 |
Y180M-4 |
18.5 |
座式 |
5991 |
|
2ZDM2056 |
2 |
11 |
上25-100
下6-25 |
上沖下編 |
≤400 |
120-600 |
1000 |
6-8 |
Y180M-4B3 |
18.5 |
座式 |
5891 |
|
2ZDM2056G |
2 |
11 |
上25-100
下0.75 |
上編下條 |
≤400 |
200-400 |
800 |
6.7 |
Y180M-4B3 |
18.5 |
座式 |
9864 |
|
ZD2160 |
1 |
12. |
10-5 |
橡膠 |
≤150 |
100-300 |
900 |
8 |
Y180L-4 |
22 |
座式 |
6529 |
|
ZD1836J |
1 |
6.5 |
上43×58
下87×104 |
橡膠 |
≤150 |
100-300 |
850 |
7 |
Y160M-4 |
11 |
座式 |
475 |
注:以上單軸式礦用振動篩選機型號尺寸為標準機型,如用戶有特殊要求可量身定做。
礦用篩選機單軸式型號標識
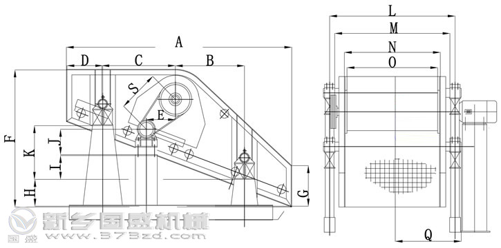
礦用振動篩選機單軸式結構圖
礦用振動篩選機單軸式尺寸對照表
|
型號 |
A |
B |
C |
D |
E |
F |
G |
H |
I |
J |
K |
L |
M |
N |
O |
Q |
S |
|
ZD1224 |
2400 |
750 |
750 |
350 |
320 |
1334 |
457 |
234 |
0 |
374 |
546 |
1656 |
1712 |
1456 |
1340 |
1011 |
567 |
|
ZD1530 |
3000 |
900 |
900 |
546 |
470 |
1556 |
479 |
206 |
52 |
374 |
655 |
2136 |
2012 |
1756 |
1640 |
1190 |
670 |
|
ZD1540 |
4000 |
1358 |
1312 |
663 |
530 |
2028 |
479 |
280 |
332 |
402 |
972 |
2156 |
2032 |
1756 |
1640 |
1191 |
761 |
|
ZD1836 |
3600 |
1200 |
120 |
476 |
530 |
1807 |
465 |
328 |
190 |
402 |
8735 |
2456 |
2332 |
2056 |
1940 |
1386 |
761 |
|
ZD2160 |
6000 |
1950 |
1950 |
900 |
788 |
3035 |
857 |
535 |
0 |
480 |
1955 |
3140 |
2852 |
2420 |
2240 |
1665 |
1344 |
礦用篩選機YK形式的技術參數
|
型號 |
篩網
層數 |
篩網
面積
(㎡) |
篩孔
尺寸
(mm) |
較大進
料尺寸
(mm) |
處理能力
(m3/h) |
振動頻率
(r/min) |
振幅
(mm) |
電機
功率
(kw) |
篩面規格
(mm) |
總重量
(kg) |
外形尺寸
(長×寬×高)
(mm) |
|
2YK1224 |
2 |
6 |
4-50 |
400 |
8-60 |
800-970 |
8 |
5.5 |
1200×2500 |
3500 |
2930×1860×870 |
|
3YK1224 |
3 |
9 |
4-50 |
400 |
10-70 |
800-970 |
8 |
5.5 |
1200×2500 |
3850 |
3070×1860×1210 |
|
2YK1230 |
2 |
7.2 |
4-50 |
400 |
12-78 |
800-970 |
8 |
7.5 |
1200×3000 |
4200 |
3430×1860×870 |
|
3YK1230 |
3 |
10.8 |
4-50 |
400 |
13-80 |
800-970 |
8 |
7.5 |
1200×3700 |
4600 |
3570×1860×1210 |
|
2YK1237 |
2 |
8.88 |
4-50 |
400 |
15-86 |
800-970 |
8 |
7.5 |
1200×3700 |
4600 |
4050×1860×870 |
|
3YK1237 |
3 |
13.32 |
4-50 |
400 |
16-90 |
800-970 |
8 |
7.5 |
1500×3500 |
5200 |
4270×1860×1210 |
|
2YK1530 |
2 |
10.5 |
5-50 |
400 |
20-125 |
800-970 |
8 |
11 |
1500×3500 |
5890 |
4120×2210×1230 |
|
3YK1530 |
3 |
15.75 |
5-50 |
400 |
21-125 |
800-970 |
8 |
11 |
1500×3500 |
6700 |
4360×2210×1610 |
|
2YK1545 |
2 |
13.5 |
5-50 |
400 |
22-150 |
800-970 |
8 |
15 |
1500×4500 |
6330 |
5120×2210×1230 |
|
3YK1545 |
3 |
20.25 |
5-50 |
400 |
22-150 |
800-970 |
8 |
15 |
1500×4500 |
6800 |
5360×2210×1610 |
|
4YK1545 |
4 |
27 |
5-50 |
400 |
22-155 |
800-970 |
8 |
18.5 |
1500×4500 |
7800 |
5930×2210×2060 |
|
2YK1548 |
2 |
14.4 |
5-50 |
400 |
22.5-162 |
800-970 |
8 |
15 |
1500×4800 |
6980 |
5420×2210×1230 |
|
3YK1548 |
3 |
21.6 |
5-50 |
400 |
22.5-162 |
800-970 |
11 |
15 |
1500×4800 |
7700 |
5660×2210×1610 |
|
4YK1548 |
4 |
28.8 |
5-50 |
400 |
22.5-162 |
800-970 |
8 |
18.5 |
1500×4800 |
8700 |
6230×2210×2060 |
|
2YK1848 |
2 |
17.28 |
5-80 |
400 |
25-206 |
750 |
8 |
15 |
1800×4800 |
9080 |
5420×2550×1420 |
|
3YK1848 |
3 |
25.92 |
5-80 |
400 |
32-276 |
750 |
8 |
18.5 |
1800×4800 |
9600 |
5660×2550×1780 |
|
4YK1848 |
4 |
34.56 |
5-80 |
400 |
32-285 |
750 |
8 |
22 |
1800×4800 |
11100 |
6290×2550×2160 |
|
2YK1854 |
2 |
19.44 |
5-80 |
400 |
32-312 |
800-970 |
8 |
18.5 |
1800×5400 |
10150 |
5960×2550×1420 |
|
3YK1854 |
3 |
29.16 |
5-80 |
400 |
32-312 |
800-970 |
8 |
22 |
1800×5400 |
10840 |
6260×2550×1780 |
|
4YK1854 |
4 |
38.88 |
5-80 |
400 |
32-336 |
800-970 |
8 |
30 |
1800×5400 |
12840 |
6830×2550×2160 |
|
2YK2160 |
2 |
25.2 |
5-100 |
400 |
50-475 |
970 |
8 |
30 |
2100×2600 |
11780 |
6720×2840×1530 |
|
3YK2065 |
3 |
37.8 |
5-10 |
400 |
50-475 |
970 |
8 |
30 |
2100×2600 |
12800 |
7530×2840×1910 |
|
4YK2065 |
4 |
50.4 |
5-100 |
400 |
50-497 |
970 |
8 |
37 |
2100×2600 |
14800 |
7800×2840×2380 |
|
2YK2665 |
2 |
28.8 |
5-100 |
400 |
65-500 |
970 |
8 |
37 |
2400×6000 |
15600 |
7125×3340×1530 |
|
3YK2665 |
3 |
43.2 |
5-100 |
400 |
70-620 |
970 |
8 |
37 |
2400×6000 |
17600 |
7400×3340×1910 |
|
4YK2665 |
4 |
57.6 |
5-100 |
400 |
80-680 |
970 |
8 |
45 |
2400×6000 |
19600 |
7700×3340×2380 |
|
2YK2870 |
2 |
39.2 |
5-100 |
400 |
120-680 |
750 |
8 |
22×2 |
2800×7000 |
21200 |
7600×4320×1620 |
|
3YK2870 |
3 |
58.8 |
5-100 |
400 |
180-720 |
750 |
8 |
22×2 |
2800×7000 |
22400 |
7800×4320×2120 |
|
2YK3072 |
2 |
43.2 |
5-100 |
400 |
200-700 |
750 |
8 |
22×2 |
3000×7200 |
23600 |
7800×4520×1750 |
|
3YK3072 |
3 |
64.8 |
5-100 |
400 |
230-800 |
750 |
8 |
22×2 |
3000×7200 |
25500 |
8000×4520×2300 |
注:以上礦用振動篩選機圓形YK式型號尺寸為標準機型,如用戶有特殊要求可量身定做。
礦用振動篩選機YK型尺寸對照表
|
型號 |
L |
L1 |
L2 |
L3 |
L4 |
B |
B1 |
B2 |
B3 |
H |
H1 |
H2 |
|
YK1224 |
2560 |
203 |
2359 |
349 |
1638 |
1200 |
1260 |
1489 |
3128 |
2632 |
430 |
|
|
YK1530 |
3051 |
360 |
2500 |
1800 |
335 |
1500 |
1560 |
1750 |
3665 |
2096 |
500 |
|
|
YK1836 |
3678 |
313 |
3100 |
1941 |
519 |
1800 |
1860 |
1662 |
3656 |
2646 |
654 |
|
|
YK2065 |
6761 |
1497 |
3898 |
300 |
350 |
2127 |
2203 |
2464 |
4335 |
4700 |
791 |
|
|
YK2560 |
6033 |
570 |
4900 |
3200 |
508 |
2500 |
2600 |
3127 |
4940 |
3700 |
1137 |
|
|
2YK1224 |
2560 |
203 |
2359 |
349 |
1638 |
1200 |
1260 |
1489 |
3128 |
2332 |
392 |
806 |
|
2YK1530 |
3051 |
360 |
2500 |
1800 |
335 |
1500 |
1560 |
1750 |
3665 |
2396 |
460 |
823 |
|
2YK1836 |
3678 |
313 |
3100 |
1941 |
519 |
1800 |
1860 |
1662 |
3656 |
3946 |
520 |
820 |
|
2YK2148 |
4689 |
311 |
4220 |
2500 |
500 |
2100 |
2160 |
2528 |
4745 |
4100 |
722 |
1617 |
|
2YK2665 |
6761 |
1497 |
3898 |
3200 |
349 |
2645 |
2721 |
2935 |
5614 |
4890 |
608 |
1844 |
礦用振動篩選機YK結構圖
礦用振動篩選機YA技術參數
|
型號 |
篩面
面積
(m2) |
篩面
傾角
(°) |
篩孔
尺寸
(mm) |
篩網
結構 |
給料
粒度
(mm) |
處理
能力
(t/h) |
振次
(r.p.m) |
雙振幅
(mm) |
電機
功率
(kw) |
參考
重量
(kg) |
|
YA1236 |
4.3 |
20 |
6-50 |
編織 |
≤200 |
75-245 |
845 |
9.5 |
11 |
4880 |
|
2YA1236 |
4.3 |
6-50 |
編織 |
≤200 |
75-245 |
845 |
9.5 |
11 |
5210 |
|
YA1530 |
4.5 |
6-50 |
編織 |
≤200 |
80-255 |
845 |
9.5 |
11 |
4500 |
|
YA1536 |
5.4 |
6-50 |
編織 |
≤200 |
95-310 |
845 |
9.5 |
11 |
5110 |
|
2YA1536 |
5.4 |
6-50 |
編織 |
≤400 |
95-310 |
845 |
9.5 |
15 |
5585 |
|
YAH1536 |
5.4 |
30-150 |
沖孔 |
≤400 |
240-660 |
755 |
11 |
11 |
5600 |
|
2YAH1536 |
5.4 |
30-150
6-50 |
上沖孔
下編織 |
≤400 |
240-660 |
755 |
11 |
15 |
5999 |
|
YA1542 |
6.5 |
6-50 |
編織 |
≤200 |
110-360 |
845 |
9.5 |
11 |
5200 |
|
2YA1542 |
6.5 |
6-50 |
編織 |
≤200 |
110-360 |
845 |
9.5 |
15 |
6010 |
|
YA1548 |
7.2 |
6-50 |
編織 |
≤200 |
125-410 |
845 |
9.5 |
15 |
5812 |
|
2YA1548 |
7.2 |
6-50 |
編織 |
≤200 |
125-410 |
845 |
9.5 |
15 |
6125 |
|
YAH1548 |
7.2 |
30-150 |
沖孔 |
≤400 |
320-780 |
755 |
11 |
15 |
6745 |
|
2YAH1548 |
7.2 |
30-150
6-50 |
上沖孔
下編織 |
≤400 |
320-780 |
755 |
11 |
15 |
7380 |
|
YA1836 |
6.5 |
6-50 |
編織 |
≤200 |
115-370 |
845 |
9.5 |
11 |
5180 |
|
2YA1836 |
6.5 |
6-50 |
編織 |
≤200 |
115-370 |
845 |
9.5 |
15 |
5940 |
|
YAH1836 |
6.5 |
30-150 |
沖孔 |
≤400 |
290-800 |
755 |
11 |
11 |
5880 |
|
2YAH1836 |
6.5 |
30-150
6-50 |
上沖孔
下編織 |
≤400 |
290-800 |
755 |
11 |
15 |
6300 |
|
YA1842 |
7.6 |
6-50 |
編織 |
≤200 |
135-430 |
845 |
9.5 |
15 |
5800 |
|
2YA1842 |
7.6 |
6-50 |
編織 |
≤200 |
135-430 |
845 |
9.5 |
15 |
6350 |
|
YAH1842 |
7.6 |
30-150 |
沖孔 |
≤400 |
340-900 |
755 |
11 |
15 |
6350 |
|
2YAH1842 |
7.6 |
30-150
6-50 |
上沖孔
下編織 |
≤400 |
340-900 |
755 |
11 |
15 |
7000 |
|
YA1848 |
8.6 |
6-50 |
編織 |
≤200 |
150-490 |
845 |
9.5 |
15 |
6210 |
|
2YA1848 |
8.6 |
6-50 |
編織 |
≤200 |
150-490 |
845 |
9.5 |
15 |
6600 |
|
YAH1848 |
8.6 |
30-150 |
沖孔 |
≤400 |
385-1000 |
755 |
11 |
15 |
7100 |
|
2YAH1848 |
8.6 |
30-150
6-50 |
上沖孔
下編織 |
≤400 |
385-1000 |
755 |
11 |
15 |
7700 |
|
YA2148 |
10 |
6-50 |
編織 |
≤210 |
175-570 |
748 |
9.5 |
18.5 |
9000 |
|
2YA2148 |
10 |
6-50 |
編織 |
≤210 |
175-570 |
748 |
9.5 |
22 |
10400 |
|
YAH2148 |
10 |
30-150 |
沖孔 |
≤400 |
445-1200 |
708 |
11 |
18.5 |
10350 |
|
2YAH2148 |
10 |
30-150
6-50 |
上沖孔
下編織 |
≤400 |
445-1200 |
708 |
11 |
22 |
11100 |
|
YA2160 |
12.6 |
6-50 |
編織 |
≤200 |
220-700 |
748 |
9.5 |
18.5 |
9920 |
|
2YA2160 |
12.6 |
6-50 |
編織 |
≤200 |
220-700 |
748 |
9.5 |
22 |
11200 |
|
YAH2160 |
12.6 |
30-150 |
沖孔 |
≤400 |
560-1400 |
708 |
11 |
30 |
12390 |
|
2YAH2160 |
12.6 |
30-150
6-50 |
上沖孔
下編織 |
≤400 |
560-1400 |
708 |
11 |
30 |
13850 |
|
YA2448 |
11.5 |
6-50 |
編織 |
≤200 |
200-650 |
748 |
9.5 |
18.5 |
9830 |
|
YAH2448 |
11.5 |
30-150 |
沖孔 |
≤400 |
500-1300 |
708 |
11 |
30 |
11820 |
|
2YAH2448 |
11.5 |
30-150
6-50 |
上沖孔
下編織 |
≤400 |
500-1300 |
708 |
11 |
30 |
13000 |
|
YA2460 |
14.4 |
6-50 |
編織 |
≤200 |
250-810 |
748 |
9.5 |
30 |
12200 |
|
2YA2460 |
14.4 |
6-50 |
編織 |
≤200 |
250-810 |
748 |
9.5 |
30 |
13495 |
|
YAH2460 |
14.4 |
30-150 |
沖孔 |
≤400 |
640-1500 |
708 |
11 |
30 |
13000 |
|
2YAH2460 |
14.4 |
30-150
6-50 |
上沖孔
下編織 |
≤400 |
640-1500 |
708 |
11 |
30 |
14400 |
注:以上礦用振動篩選機圓形YA式型號尺寸為標準機型,如用戶有特殊要求可量身定做。
礦用振動篩選機YA結構圖
礦用振動篩選機YA尺寸對照圖

|
型號 |
L |
L1 |
L2 |
L3 |
L4 |
B |
B1 |
B2 |
B3 |
B4 |
B5 |
B6 |
B7 |
H |
H1 |
H2 |
H3 |
H4 |
|
YA1236 |
3557 |
560 |
2548 |
1211 |
542 |
1225 |
903 |
820 |
1700 |
1933 |
283 |
277 |
1676 |
2456 |
1077 |
|
823 |
1100 |
|
YA1536 |
3557 |
560 |
2564 |
1203 |
542 |
1530 |
1055 |
972 |
2005 |
2238 |
283 |
277 |
1981 |
2437 |
1064 |
|
530 |
1100 |
|
YA1836 |
3557 |
559 |
3138 |
1203 |
542 |
1835 |
1208 |
1125 |
2310 |
2543 |
283 |
277 |
2286 |
2437 |
1064 |
|
826 |
1100 |
|
YA1842 |
4131 |
563 |
3694 |
1480 |
660 |
1835 |
1208 |
1125 |
2310 |
2543 |
305 |
300 |
2286 |
2700 |
1145 |
|
845 |
1100 |
|
YA1848 |
4704 |
560 |
3410 |
1786 |
976 |
1835 |
1208 |
1125 |
2310 |
2543 |
305 |
300 |
2286 |
2943 |
1145 |
|
911 |
1100 |
|
YA2148 |
4745 |
660 |
3890 |
1686 |
708 |
2140 |
1434 |
1460 |
2615 |
2848 |
385 |
319 |
2591 |
3501 |
1500 |
|
1368 |
1400 |
|
YA2160 |
5916 |
825 |
3898 |
2067 |
1078 |
2140 |
1526 |
1446 |
2615 |
2848 |
520 |
379 |
2591 |
3849 |
1628 |
|
1278 |
1600 |
|
YA2460 |
5891 |
818 |
2548 |
2077 |
1078 |
2145 |
1678 |
1598 |
2920 |
3153 |
520 |
380 |
2896 |
3846 |
1628 |
|
1290 |
1600 |
|
2YA1236 |
3557 |
560 |
2548 |
1211 |
542 |
1225 |
903 |
820 |
1700 |
1933 |
283 |
277 |
1676 |
2419 |
1045 |
140 |
794 |
1100 |
|
2YA1536 |
3557 |
560 |
2564 |
1203 |
542 |
1530 |
1055 |
972 |
2005 |
2238 |
283 |
300 |
1981 |
2437 |
1064 |
126 |
560 |
1100 |
|
2YA1836 |
3557 |
559 |
2560 |
1203 |
542 |
1835 |
1208 |
1125 |
2310 |
2543 |
283 |
300 |
2286 |
2437 |
1064 |
125 |
826 |
1100 |
|
2YA1842 |
4131 |
563 |
3138 |
1480 |
660 |
1835 |
1208 |
1125 |
2310 |
2543 |
305 |
300 |
2286 |
2700 |
1145 |
138 |
845 |
1100 |
|
2YA1848 |
4704 |
560 |
3694 |
1786 |
976 |
1835 |
1208 |
1125 |
2310 |
2543 |
305 |
300 |
2286 |
2943 |
1145 |
120 |
911 |
1100 |
|
2YA2148 |
4745 |
660 |
3410 |
1686 |
708 |
2140 |
1434 |
1460 |
2615 |
2848 |
385 |
339 |
2591 |
3501 |
1520 |
422 |
1368 |
1400 |
|
2YA2160 |
5916 |
825 |
3890 |
2067 |
1078 |
2140 |
1526 |
1446 |
2615 |
2848 |
520 |
380 |
2591 |
3849 |
1628 |
255 |
1278 |
1600 |
|
2YA2460 |
5891 |
818 |
3898 |
2077 |
1078 |
2145 |
1678 |
1598 |
2920 |
3153 |
520 |
380 |
2896 |
3846 |
1628 |
255 |
1290 |
1600 |
礦用振動篩選機的選購需知
1、篩網結構有編織網闖、沖孔篩板。如果選用鐵簽式篩板可按要求生產廠家設計。
2、在選用時如有改變篩面傾角的要求,可另行設計。給料箱為選擇件,用戶如有需要,可供給料箱。
3、篩機可分為單層和多層,并有輕型和重型之分,適用不同物料粒度級別的篩選。選用時請確定電壓制式及有無防爆要求。
4、電動機可安裝在左側或右側,無特殊要求就按安裝圖紙安裝、供貸。
5、雙層篩上層篩面選定的篩孔尺寸超過技術性能及參數中規定的篩孔尺寸時,應按要求設計。
6、該設備的安裝方式有支座式和吊掛式及二者搭配式等多種形式,選型時請務必慎重考慮。
礦用振動篩選機的安全操作規程
一、啟動前檢查
檢查所有螺栓是否緊固,各個軸承潤滑情況是否良好,篩網的磨損是否嚴重,防護裝置是否完好,轉動部位是否靈活可靠等等具體細節,檢查完畢方可空載試運行。
二、啟動后檢查
按下啟動按鈕,注意礦用振動篩選機的振動情況,聆聽機體的運轉聲音,如有異常,立即停機查看。還要時刻留意出料情況,如有堵塞,要及時疏通。空載運行時有異常振動時,檢查并緊固地腳螺栓。有異常雜音時,要停機并清理篩內殘余物料或維修傳動部位和機體的間隙。如果設備部運轉,要檢查電機與機體的連接部位。時刻注意傳動部位的軸承,運轉的溫升為35度,環境溫度為25度,如果軸承溫度高于70度或環境溫度高于25度時,要停車檢修,并做好檢修記錄。礦用振動篩選機停機時,要把篩面上的物料篩選完畢再關機,并把設備內外的雜物清理干凈。
三、安全和環境事項
為保障安全,設備運轉時嚴謹進行調整、清理和修理工作。 該設備的環境噪聲如果達到50分貝以上時,必須佩帶防護耳罩或耳塞。設備的環境呼吸粉塵濃度大于3.5毫克/立方米以上時,必須佩帶防塵口罩。每次停機時要求對設備進行全面的清理和擦拭。
|